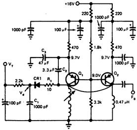
Настройка частоты генератора посредством реактивного сопротивления
Реактивное сопротивление диода CR1 HP 5082-3188 (рис.) создает дополнительную емкость, подключаемую в контур генератора, выполненного на транзисторах 2N5208 про изводства компании Motorola. Изменение управляющего напряжения VT в диапазоне 0—7 В соответственно изменяет действующую емкость контура генератора, что в свою очередь приводит к генерированию схемой частоты в диапазоне примерно 90—150 МГц.
Генератор, управляемый напряжением с двумя выходными сигналами, жестко сдвинутыми по фазе на 90°
Точная дистанционная настройка генератора
Линейный ГУН для диапазона от 0 до 10 кГц
ГУН с быстродействующей синхронизацией
Линейный ГУН
Схема управления включением ГУН
Линейный генератор, управляемый напряжением
ГУН на номинальную частоту 1 кГц
ГУН для диапазона 0—10 кГц при напряжении управления 0—10 В
Экспоненциальный ГУН
Настройка частоты генератора посредством реактивного сопротивления
Подстройка частоты кварцевого резонатора с помощью управляющего напряжения
Высокоскоростной управляемый напряжением задающий генератор
Генератор с частотой 52 МГц и частотной модуляцией на варикапе
Синусоидальный генератор с частотой 1,5—2,5 кГц
Простой задающий генератор для ГУН
Высокостабильный линейный ГУН
Схема ГУН с удвоенным диапазоном управления
Квадратурный ГУН на умножителях
