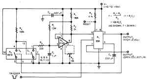
Моностабильный таймер 555 с длительной задержкой
В схеме используется операционный усилитель 3140 с высоким входным сопротивлением для увеличения эффективных значений временных определяющих компонентов R, и Ct и одновременно для исключения использования высокоомных прецизионных резисторов и больших емкостей с маленьким током утечки. Операционный усилитель работает совместно с таймером 555. Уравнение для определения времени определяется следующим образом: Т = 100RtCt (при условии, что соотношение сопротивлений делителя R1 и R2 будет равно 91:1). Таймер 555 имеет в своем составе выход с открытым коллектором (вывод 7). Нагрузка может переключаться при напряжении от 0 до +15 В.

Временной компаратор
Полупроводниковый выключатель с задержкой
Таймер с повторяющимся циклом
Таймер для управления устройствами
Схема 10-минутной задержки
10-часовой таймер на полевом транзисторе
Выключатель для радио
10-минутный таймер со световой индикацией
Предварительно устанавливаемый аналоговый таймер
Таймер для варки яиц с мигающим светодиодом
Выключатель транзисторного радиоприемника
Схема 1,5-минутной задержки
Схема 10-секундной задержки с напряжением питания 1,5 В
Каскадный таймер
Схема устройства отключения питания
Схема таймера со сбросом
Таймер с минимальным током потребления
Последовательный таймер
Стабильный таймер на 4 транзисторах
Схема последовательного таймера
Длительная задержка отключения двигателя
Таймер на 10 сек
Таймере 10-часовой задержкой
Каскадный таймер с автоматическим перезапуском
Схема задержки с мощным транзистором
Преобразователь время-напряжение
Высокоточный 1-секундный таймер
Схема 30-секундной задержки после запуска
Схема таймера для сохранения энергии батареи питания прибора
4-часовой последовательный таймер
Таймер на 1 год
Таймер длительностью от микросекунды до часа
1 -часовой таймер с переключателем для выбора режима работы
Секундомер
Таймер для передатчика
Устройство звукового предупреждения через 90 сек для АМ-приемопередатчиков
Схема задержки от 0,5 до 136 сек с точностью, зависящей от частоты сети переменного тока
Схема последовательного таймера
Регистратор событий
10-минутный таймер с цифровым знаковым индикатором
Таймер для безопасной эксплуатации поездов
Таймер на включение или выключение нагрузки
Схема временной задержки от микросекунды до часа
Схема временной задержки от 0 до 5 мин
Схема задержки от 0 до 10 мин с точностью 1 сек
Таймер с большой временной задержкой, использующий небольшую емкость конденсатора
Схема для определения продолжительности выполнения программы
Бюджетный 1-часовой таймер
Таймер с 10 интервалами
Схема задержки времени от 2 до 5 мин
Таймер с установкой времени от 1 до 99 мин с помощью дискового цифрового переключателя
Таймер для сохранения энергии батареи питания
Последовательный таймер для тестирования внешних устройств
Таймер на 10 мин
Таймер с индикацией от 1 до 10 сек или от 1 до 10 мин
Таймер с однопереходным транзистором и тиристором
Безаварийный таймер освещения
4-часовой таймер, управляющий симистором
Таймер со временем срабатывания от 3 мин до 4 час
Моностабильный таймер 555 с длительной задержкой
Таймер на полевом транзисторе с реле
Схема со временем задержки более 1 мин
Цифровое дистанционное программирование таймера
1-минутный таймер на транзисторной сборке
Схема с двумя независимыми задержками
Таймер с памятью
Последовательный трехступенчатый таймер
Цифровой секундомер