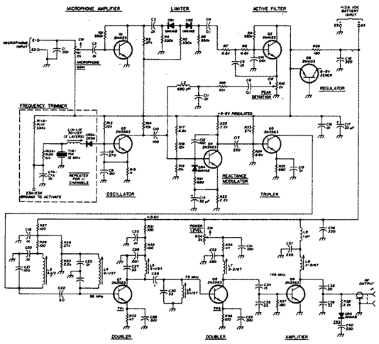
Схема ЧМ-возбудителя для диапазона 2 м
Схема (рис. 7.51) содержит задающий кварцевый генератор, микрофонный усилитель, диодный ограничитель, активный фильтр низких частот, фазовый модулятор, три каскада умножителей частоты (утроитель и два удвоителя) и усилитель мощности. Микрофонный усилитель усиливает сигналы, поступающие от угольного или динамического микрофона. Активный фильтр нижних частот, который подключен после диодного ограничителя, обеспечивает необходимую для модуляции полосу частот. Низкочастотный сигнал используется для фазовой модуляции несущей частоты. Данная схема фазовой модуляции пригодна для многоканального использования или синтезатора частоты. В задающем генераторе используется кварцевый резонатор на 12 МГц. Для минимизации помех и взаимного влияния между каскадами по питающему напряжению для питания генератора, модулятора, а также активного НЧ-фильтра применяется отдельный стабилизатор напряжения с оконечным регулятором на транзисторе Q6. Выходная мощность схемы 150—200 мВ достаточно велика, чтобы управлять каскадами усилителей мощности высокой частоты производства компании Motorola.

Транзисторы вместо генераторных и ВЧ усилительных радиоламп
Источник напряжения 3 кВ мощностью 2 кВт
Передатчик мощностью 5 Вт на полевых транзисторах
Передатчик малой мощности на 144 МГц
Схема линейного усилителя мощностью 4 Вт
CW-передатчик мощностью 250 мВт для 40-метрового диапазона
Схема линейного усилителя мощностью 140 Вт для диапазона 2—30 МГц
Линейный усилитель мощностью 1,4 Вт для диапазона 7—14 МГц
CW-передатчик мощностью V4 Вт
Маломощный передатчик 2-метрового диапазона
Схема усилителя мощностью 10 Вт для 2-метрового диапазона
Линейный усилитель мощностью 80 Вт для мобильного SSB-передатчика
Генератор перестраиваемой частоты 20-метрового диапазона
Усилитель мощностью 30 мВт для диапазона 25 МГц
Маломощный CW-передатчик 80-метрового диапазона для QRP-связи
Усилитель мощностью 80 Вт для диапазона 143—156 МГц
Линейный усилитель мощностью 100 Вт для диапазона 420—450 МГц
Схема на транзисторах вместо лампы усилителя мощности
Источник эталонного термостабильного 10-вольтового напряжения
УКВ-передатчик диапазона 432—450 МГц
Схема повышения мощности стабилитронов
Линейный усилитель мощностью 10 Вт для приемопередатчика 2-метрового диапазона
Линейный усилитель мощностью 300 Вт для диапазона 2—30 МГц
Усилитель мощности 2-метрового диапазона
Линейный усилитель мощностью 160 Вт для SSB-передатчика
Широкополосный усилитель мощностью 8 Вт на МОП-транзисторах
Усилитель мощности на 10 Вт УКВ-диапазона частот для морской связи
ВЧ-ваттметр
Радиотелефон, работающий на частоте 20 МГц
Генератор перестраиваемой частоты на 1,8—1,9 МГц
Схема линейного усилителя мощностью 60 Вт для диапазона 432 МГц
Мобильный однокаскадный ЧМ-передатчик мощностью 80 Вт для диапазона 144—175 МГц
Усилитель мощностью 80 Вт для 2-метрового диапазона
Возбудитель мощностью 1 Вт для диапазонов частот 7 и 14 МГц
Схема линейного усилителя мощностью 300 Вт на полупроводниках
Передатчик мощностью 500 мВт для диапазона 180 кГц
АМ-передатчик мощностью 2,5 Вт для авиасвязи
QRP-передатчик мощностью 7 Вт
Схема для измерения максимальной мощности
Усилитель мощностью 25 Вт для передатчика диапазона 450—470 МГц
CW-передатчик для диапазона 40 м
Мобильный ЧМ-передатчик мощностью 80 Вт для диапазона 175 МГц
Линейный усилитель мощностью 100 Вт для диапазона 432 МГц
Генератор перестраиваемой частоты для диапазонов 7 и 14 МГц
УКВ-передатчик мощностью 10 Вт для диапазона 450 МГц
Широкополосный усилитель мощностью 5 Вт на МОП-транзисторе
Ламповый усилитель мощности на 1200 Вт
Схема усилителя мощности на 10 Вт для диапазона 450—470 МГц..
Ламповый усилитель мощностью 1 кВт с заземленной сеткой
Передатчик мощностью 5 Вт для диапазона 80 или 40 м
Схема ЧМ-возбудителя для диапазона 2 м
Схема CW-передатчика мощностью 2 Вт для диапазона 20 м
Двухтактный ВЧ-усилитель мощности на 50 Вт
Схема 10-ваттного усилителя мощности для диапазона 220 МГц
Схема длинноволнового передатчика мощностью 1 Вт для диапазона 175 кГц
Усилитель мощностью 30 Вт для диапазона 40—180 МГц
Двухтактный усилитель на 400 Вт
Возбудитель с большим усилением, мощностью 20 Вт и диапазоном 1,6—30 МГц
АМ-передатчик на диапазон 1—2 МГц
Схема замены НЧ-радиоламп транзисторами
Усилитель мощности на 15 Вт для диапазона 400 МГц
Защелка для тангенты микрофона
Полупроводники вместо лампового смесителя и стабилизатора
Усилитель класса мощностью 35 Вт для диапазона 40, 80 или 160 м
Генератор перестраиваемой частоты для диапазона 80 м
Усилитель мощностью 1 кВт для диапазона 2 м
CW-приемопередатчик с генератором перестраиваемой частоты для диапазона 21—21,5 МГц
Выключатель усилителя на основе напряжения смещения
SSB-возбудитель для диапазона 2—30 МГц
ВЧ-ваттметр на 50 Вт
Линейный усилитель мощностью 20 Вт для диапазона 16—30 МГц
Усилитель мощностью 3,5 Вт для диапазона 40 м