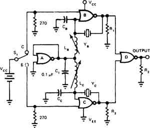
Схема генератора с кварцевыми резонаторами на 76.25 и 81,6 МГц
Микросхема МС10102 (рис.), состоящая из четырех одинаковых логических элементов ИЛИ-НЕ с эмиттерно-связанной логикой, обеспечивает нужные переключения между двумя кварцевыми резонаторами, как это необходимо при переключении приемопередатчика из режима приема на передачу. Уровень выходного сигнала микросхемы (примерно 0,8 напряжения Vss) позволяет легко подключаться к 50-омной нагрузке. Выходной сигнал полностью буферизирован от генераторного каскада. Логический элемент А создает смещение для генераторов на логических элементах В и С. В схеме используются резисторы R-R3 с сопротивлением 270 Ом. Кроме того, используется кварц YB — 81,6 МГц с катушкой LB индуктивностью 97 нГн и конденсатором Св емкостью 39 пФ, и кварц Yc — 76.25 МГц с катушкой Lc индуктивностью 104 нГн и конденсатором Сс емкостью 39 пФ.
Логическая схема, управляемая речью
Передатчик мощностью 3,5 Вт
Схема для согласования с низкоомным микрофоном
Переключатель "прием-передача" с диодом
Звуковой сигнализатор окончания передачи
Сканирующий адаптер
Переключатель "прием-передача" с 4 диодами
Схема преобразователя частоты
Двусторонний усилитель
Схема голосового управления в SSB-связи
Схема защиты приемопередатчика
Схема, позволяющая получить дополнительно 15 Вт звуковой мощности
Кварц на 9 МГц в передатчике
Опрашивающее устройство на 10 каналов
Схема утроения частоты до 1267,2 МГц
Нерегулируемый кварцевый генератор для SSB-приемопередатчика на 2—23 МГц.
12-вольтовая схема защиты приемопередатчика (закорачивающая перемычка)
Схема 4-канального опрашивающего устройства для метрового диапазона волн с ЧМ
Схема управления "прием-передача"
Усилитель мощности для частоты 422,4 МГц
Генератор частоты на 5 МГц ±500 кГц
Генератор перестраиваемой частоты на 14 МГц с удвоителем
Генератор перестраиваемой частоты на 6,545—6,845 МГц
Генератор перестраиваемой частоты для 2-метрового диапазона и всех каналов
Кварцевый генератор на 422,4 МГц
Балансный смеситель
Генератор перестраиваемой частоты на 5—5,55 МГц
Управляемая слогами передача речевых сообщений
Смеситель передатчика
Переключатель "прием-передача"
Компенсатор температурного дрейфа частоты приемопередатчика
Генератор перестраиваемой частоты на 7—7,1 МГц
Схема поиска станций в 2-метровом диапазоне с шагом 500 кГц
Применение угольного микрофона в транспортном средстве
Устройство опроса с переменным поиском
Схема высокоскоростной передачи речевых сообщений
Тюнер диапазона 3—3,5 МГц на варикапе
Переключатель "прием-передача"
Опрашивающее устройство для 2-метрового диапазона
Переключатель "прием-передача" на PIN-диодах
Регулировка с дистанционным управлением
Устройство для опроса радиоканалов
Схема генератора с кварцевыми резонаторами на 76,25 и 81,6 МГц
Опрашивающее устройство для приемопередатчика 2-метрового диапазона
Переключатель антенны "прием-передача"
Генератор меток
