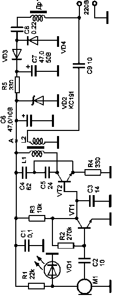
Радиопередатчик с AM в диапазоне частот 27-30 МГц.

Устройство, описанное ниже, работает в диапазоне 27-30 МГц с амплитудной модуляцией несущей частоты. Основное достоинство заключается в том, что оно питается от электросети. Эту же сеть оно использует для излучения сигнала высокой частоты. Приемник принимает сигнал, используя телескопическую антенну или специальный сетевой адаптер. Задающий генератор собран на транзисторе VT2 типа КТ315 по традиционной схеме.

Для питания микрофона M1 применен параметрический стабилизатор напряжения, собранный на резисторе R1 и светодиоде VD1, включенном в прямом направлении, на аноде которого поддерживается напряжение 1,2-1,4 В. На транзисторе VT1 типа КТ315 собран УЗЧ, сигнал с которого модулирует по амплитуде задающий генератор. Постоянное напряжение на коллекторе транзистора VT1 является напряжением смещения для транзистора VT2.

Промодулированный ВЧ сигнал с катушки связи L2 через конденсатор С9 поступает в электросеть. В данном случае провода электросети выполняют роль антенны. Источник питания собран по бестрансформаторной схеме. Дроссель Др1 предотвращает проникновение ВЧ колебаний в источник питания.

На реактивном сопротивлении конденсатора С8 гасится излишек сетевого напряжения. В отличие от резистора, конденсатор не нагревается и не выделяет тепло, что благоприятно сказывается на режиме работы устройства. Выпрямитель собран на диодах VD3, VD4. Конденсатор С7 сглаживает пульсации выпрямленного напряжения.

Далее напряжение через параметрический стабилизатор, собранный на резисторе R5 и стабилитроне VD2, поступает для питания радиомикрофона. Конденсатор С6 уменьшает пульсации выпрямленного напряжения.

Такой блок питания обеспечивает стабильную работу радиомикрофона при изменениях сетевого напряжения в интервале от 80 до 260 В. Микрофон M1 - любой малогабаритный конденсаторный микрофон со встроенным усилителем (МКЭ-3, М1-Б, "Сосна" и др.). Конденсаторы С8 и С9 должны быть рассчитаны на рабочее напряжение не менее 250 В. Дроссель Др1 типа ДПМ-0,1 номиналом 50-90 мкГн. Дроссель Др1 может быть изготовлен самостоятельно. Он содержит 100-150 витков провода ПЭВ 0,1 мм на стандартном ферритовом сердечнике диаметром 2,8 мм и длиной 14 мм (длина сердечника может быть уменьшена в 2 раза).

Катушки L1 и L2 намотаны на стандартных ферритовых стержнях диаметром 2,8 мм и длинной 14 мм проводом ПЭВ 0,23. Катушка L1 - 14 витков, L2 - 3 витка поверх L1. Транзистор VT2 может быть заменен на КТ3102 или КТ368. Светодиод VD1 - на любой светодиод. Диоды VD3, VD4 заменяются на КД105 или другие на напряжение не ниже 300 В. Конденсаторы С6 и С7 могут быть большей емкости и на большее рабочее напряжение, они должны иметь минимальную утечку. Стабилитрон VD1 может быть заменен на любой стабилитрон с напряжением стабилизации 8-12В.

Сетевой адаптер.

Конденсатор С1 исключает проникновение напряжения сети в катушку L1 и на вход используемого приемника. Катушки L2, L3, L4 и конденсаторы С2, СЗ, С4 образуют двухконтурный ФСС. С катушки L4 отфильтрованный сигнал поступает на вход приемника. Катушки L1, L2, L3, L4 намотаны на каркасах от KB катушек переносных радиоприемников. Катушка L1 имеет 2 витка, L2 - 14 витков, L3 - 14 витков, L4 - 5 витков. Все катушки намотаны проводом ПЭВ 0,23.

Конденсатор С1 - на напряжение не ниже 250В, конденсаторы С2 и С4 - подстроечные. Настройку устройства следует начинать с проверки напряжения питания. Для этого необходимо сделать разрыв в точке А. Напряжение на конденсаторе С6 должно быть 9 В. Если напряжение отличается от указанного, следует проверить исправность элементов блока питания Др1, С8, VD3, VD4, C7, R5, VD2, С6. При исправном блоке питания следует восстановить соединение в точке А и подбором сопротивления резистора R2 установить напряжение на базе транзистора VT2 равным 3,5 В.

Дальнейшая настройка сводится к установке несущей частоты подстройкой контура перемещением сердечникакатушек L1, L2. Настроенную схему нужно залить эпоксидной смолой, предварительно отгородив микрофон. Настройка адаптера сводится к настройке контуров L2, С2 и L3, С4 на частоту передатчика.


Радиопередатчик с ЧМ в диапазоне частот 1-30 МГц.

Устройство, описанное ниже, может работать в диапазоне 1-30 МГц с частотной модуляцией. Для питания радиопередатчика используется электросеть 220 В. Эта же сеть используется устройством в качестве антенны. Блок питания устройства собран по бестрансформаторной схеме.

Напряжение сети 220 В поступает на дроссели Др1, Др2 и гасящий конденсатор С2, на котором гасится излишек напряжения. Переменное напряжение выпрямляется мостом VD1, нагрузкой которого является стабилитрон VD2 типа КС510. Пульсации напряжения сглаживаются конденсатором СЗ. Модулирующий усилитель выполнен на транзисторе VT1 типа КТ315. Сигнал звуковой частоты поступает на базу этого транзистора с электретного микрофона с усилителем M1 типа МКЭ-3 или М1-Б2 "Сосна".

Усиленное напряжение звуковой частоты через резистор R2 поступает на варикап VD3 типа КВ109А, изменение емкости которого позволяет осуществлять частотную модуляцию. Задающий генератор выполнен по схеме индуктивной трехточки на транзисторе VT2 типа КТ315. Частота генератора определяется элементами колебательного контура L1, С5, С4, VD3. Обратная связь осуществляется через конденсатор С7.

Режимы транзисторов VT1 и VT2 по постоянному току регулируются резисторами R5 и R4 соответственно. Напряжения смещения транзисторов VT1 и VT2 формируются этими резисторами и параметрическим стабилизатором, выполненным на резисторе R3, светодиоде VD4 типа АЛ307 и конденсаторе С8. Этим достигается более высокая стабильность частоты, чем при обычном включении. Напряжение высокой частоты, промодулированное по частоте звуковым сигналом, с катушки связи L2 поступает в сеть 220 В через разделительный конденсатор С1. Конденсатор С1 уменьшает влияние напряжения сети на задающий генератор.

Дроссели Др1 и Др2 исключают проникновение напряжения высокой частоты по цепям питания. Дроссели Др1 и Др2 намотаны на ферритовых стержнях и содержат по 100 витков провода ПЭВ 0,1 мм каждый. Катушки L1 и L2 намотаны на каркасе диаметром 5 мм с подстроечным сердечником. Для диапазона 27 МГц катушка L1 имеет 10 витков с отводом от середины, намотанных проводом ПЭВ 0,3 мм. Катушка связи L2 имеет 2 витка того же провода. Конденсаторы С1 и С2 должны быть рассчитаны на рабочее напряжение не ниже 250 В. Диодная сборка КЦ407 может быть заменена на четыре диода КД105, КД102.

Вместо стабилитрона VD2 можно использовать любой другой с напряжением стабилизации 8-12 В. Светодиод VD4 типа АЛ307 можно заменить на любой светодиод или на два-три кремниевых диода, включенных в прямом направлении. При использовании кондиционных деталей и правильном монтаже настройка заключается в подстройке частоты задающего генератора конденсатором С5.

Источник: iceinet.ru






© 2008 Электроника для начинающих | Programming V.Lasto | Povered by Nano-CMS | Designer S.Gordi