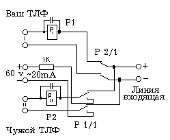
Схема незаметного подключения к чужой телефонной линии.

Схема незаметного подключения к чужой телефонной линии То, что не влезло на схему:
- верхний телефон: мой
- нижний телефон: клиента
- =/- 60V дополнительное напряжение слежения (стабилизированное ~20mA)
- полярность очень желательно соблюдать
- реле Р1 было применено специальное, с задержкой отпускания 1 сек. (впоследствии схема была испытана на РЕС-9 с параллельным конденсатором 200мкФ x 60В
- Конденсаторы позволяют проходить звуку/звонку минуя обмотку реле, и в то же время позволяют организовать задержку (см. выше)
- все реле показаны в состоянии OFF

Алгоритм работы приведенной схемы прост:

Телефоны Состояние Реле

Мой

Его

Я

Он

P1

P2

off

off

line

line

off

off

off

on

off

line

off

on

on

off

line

pover

on

off

on

on

off

line

off


on

Тут нет ничего сложного, самое главное - это динамический режим работы: "Я говорю, а в это время ОН снимает трубку..." - на его телефон поступает 'следящее' напряжение 60 вольт, которое имитирует напряжение АТС, при этом реле Р2 отключает меня от линии, но реле Р1 имеет задержку - 1сек, в течение этого времени тел. линия оборвана и АТС разрывает связь, спустя 1 сек. реле Р1 отпускает контакты и переключает клиента с имитатора на настоящую линию. На всю эту операцию уходит около 2 сек. (не надо торопиться, а то АТС может не успеть оборвать ваш разговор), но даже 2 сек. - это время, за которое "клиент" только и успеет поднести трубку к уху. Вот тут как раз и важна полярность: не очень приятно услышать в момент переключения импульс с амплитудой 120 вольт...

Преимущества:
1. Звонок проходит в оба направления
2. Cхему вместе с трансформатором вмещается в пачке от сигарет
Недостатки:
1. При отсутствии напряжения 60 вольт "клиент" ничего не услышит (но зато он и не подслушает ваш разговор)

Источник: iceinet.ru






© 2008 Электроника для начинающих | Programming V.Lasto | Povered by Nano-CMS | Designer S.Gordi